Mechatronik Abschlussprüfung Teil 2 Sommer 2021 mit FlowLab YouTube

Abschlussprüfung Teil 2 - Winter 2023/24 Industriemechaniker/-in Instandhaltung. 4 B1 argelb00323 II Normteile für jeden Prüfling: Zusammenbau 1. 12 Zylinderschraube M5 × 10 ISO 4762 8.8 2. 4 Scheibe 5 ISO 7090 200 HV 3. 1 Schleifband P60 75 × 720 für Bandschleifmaschine.
Abschluss Prüfung Mechatroniker Teil 2 (Automatikbetrieb) YouTube

Abschlussprüfung Teil 2 Winter 2023 / 2024 Mechatroniker/-in (0941/0942) Arbeitsaufgabe Baugruppe mit Positionierschiene und Distanzstück Pos. I,17!!Entspricht dem Ergänzungsmaterialsatz Winter 2022/23 auf Winter 2023/24!! Bausatz zusammengestellt nach der PAL-Materialbereitstellungsliste für Ausbildungsbetriebe Seite 9:
Mechatroniker Abschlussprüfung 2015 YouTube

Mechatroniker 03.12.2024 22.-23.01.2025 Mediengestalter Bild und Ton G Landesamt f. Vermessung. Abschlussprüfung Teil 2 Winter 2024/25 Berufe (A-Z) Prüfungsart A IHK Nürnberg. Textil- und Modeschneider Teil 2 04.12.2024 07.-31.01.2025 Textillaborant Tiefbaufacharbeiter Rohrleitung
Bestandene Abschlussprüfung als Mechatroniker Autoklaven und Gefriertrockner direkt vom Hersteller

EGS - Elektroniker für Geräte & Systeme » Abschlussprüfung 2 » Winter 2023/2024 » Abschlussprüfung Teil 2 Winter 2023/2024. Twittern.. Abschlussprüfung Teil 2 Winter 2023/2024 24.10.2023 13:16 Baba Ben. Informationen anzeigen. Beiträge: 1: Registriert seit: 18.10.2023:
Ausbildung als Mechatroniker für Kältetechnik YouTube

Abschlussprüfung Teil 2 Winter 2023/2024 - Teile, die für jeden Prüfling bereit gestellt werden müssen und Vorbereitungsauftrag zur Arbeitsaufgabe Pos. VII/1 bis VII/24, (mit dem Achsen-Modell VII/5 f. Dr.-Ing. Paul Christiani GmbH & Co. KG. Abschlussprüfung Teil 2 Winter 2023/2024 Mechatroniker/-in (0942) Materialsatz mit Achsen-Modell.
Prüfungsaufgaben und Lehrmittelentwicklungsstelle (PAL) IHK Region Stuttgart

Grafcet-Mech-W-2023-24-Aenderung.zip. Download PLC-Lab (2D) Projekt: PLC-Lab-IHK Mechatroniker Teil 2 Winter 2023_2024_Aenderung.zip. Sie haben keine ausreichende Berechtigung, um die Dateianhänge dieses Beitrags anzusehen. Nach oben. 3 Beiträge • Seite 1 von 1.
Mechatroniker In

Winter 2023/24 (nicht barrierefrei, PDF-Datei · 3352 KB). Informationen zur schriftlichen Abschlussprüfung Teil 1 Neue Prüfungstermine ab Frühjahr 2023. Stand: Dezember 2022;. Mechatroniker/-in und weitere Berufe: Additive Fertigungsverfahren (nicht barrierefrei, PDF-Datei · 24 KB)
Pogo Stick springen Protest Schleim unterschied kfz mechaniker und mechatroniker In Gefahr gut
AP 2 Winter 22/23. Alles zum Thema Abschlussprüfung Teil 2 (AP2). WICHTIG: Technische Fragen bitte im Bereich KNOW HOW posten! 42 posts 1; 2; 3; Next; Lorenz82 Aufsteiger. Posts: 2 Joined: Tue Feb 04, 2014 18:24. Re: AP 2 Winter 22/23. Post by feuermatze » Wed Dec 14, 2022 14:36
Mechatroniker Abschlussprüfung Teil 1 Frühjahr 2022 YouTube

Abschlussprüfung Teil 2 - Winter 2023/24 Industriemechaniker/-in Feingerätebau. B argelb21122 5 Die aufgeführten Betriebs- und Arbeitsmittel sind für die Durchführung der praktischen Arbeitsaufgabe auszuwählen bzw. zu ergänzen und können an die betriebsübliche Ausstattung angepasst werden.
AP1 Mechatroniker Prüfung YouTube

PLC-Lab 3D Player stellt mechatronische Modelle in 3D für die Aus- und Weiterbildung zur Verfügung.Die Software ist kompatibel zu gängigen SPS-Systeme wie Si.
Prüfung Industriemechaniker Abschlussprüfung Teil 1 Frühjahr 2020 YouTube

Die Abschlussprüfung setzt sich aus zwei zeitlich auseinander fallenden Teilen zusammen. Der Teil 1 wird in der Regel vor dem Ende des zweiten Ausbildungsjahres, der Teil 2 am Ende der Ausbildung durchgeführt. Die Prüfung besteht aus folgenden Prüfungsbereichen: Prüfungsbereich Art Prüfungszeit Gewichtung Teil 1 Arbeiten an einem
Praktische Prüfung Mechatronik Frühjahr 2019 YouTube

Abschlussprüfung Teil 2 Winter 2023/2024. Prüfungsvorbereitung 1. Beruf 2. Prüfungszeitraum Produktart . Materialsätze (16) Einzelteile (10) Standardmaterial (5). Mechatroniker/-in (0942) Positionierplatte und Distanzstück, onkl. Schrauben . 31,54 € brutto * 26,50 € netto ** In den Warenkorb. Auf Merkzettel.
Prüfungen waren Kraftakt für Azubis und Prüfer Landkreis Bad Kreuznach Wochenspiegel

AP2 Winter 2023/2024. by elcabone » Fri Sep 15, 2023 5:45. Moin Jungs! Die PAL Vorbereitung für die kommende AP2 W23/24 ist veröffentlicht. Es scheint als würde die komplette alte Konstruktion nach dem Achsmodell wegfallen und dafür eine Art "Ablagetisch" hinkommen.
Abschlussprüfung Teil 1 2015 Mechatroniker spinnt YouTube

Mechatronikerinnen und Mechatroniker. Zur Prüfung benötige Materialien sind aus den PAL-Bereitstellungsunterlagen zu entnehmen. Abschlussprüfung Teil 1 - 2023/2024. Abschlussprüfung Teil 2 - 2023/2024. Weitere Informationen zum Nachteilsausgleich und für Abschlussprüfungen. Eine gegebenenfalls erforderliche Wiederholungsprüfung ist zum.
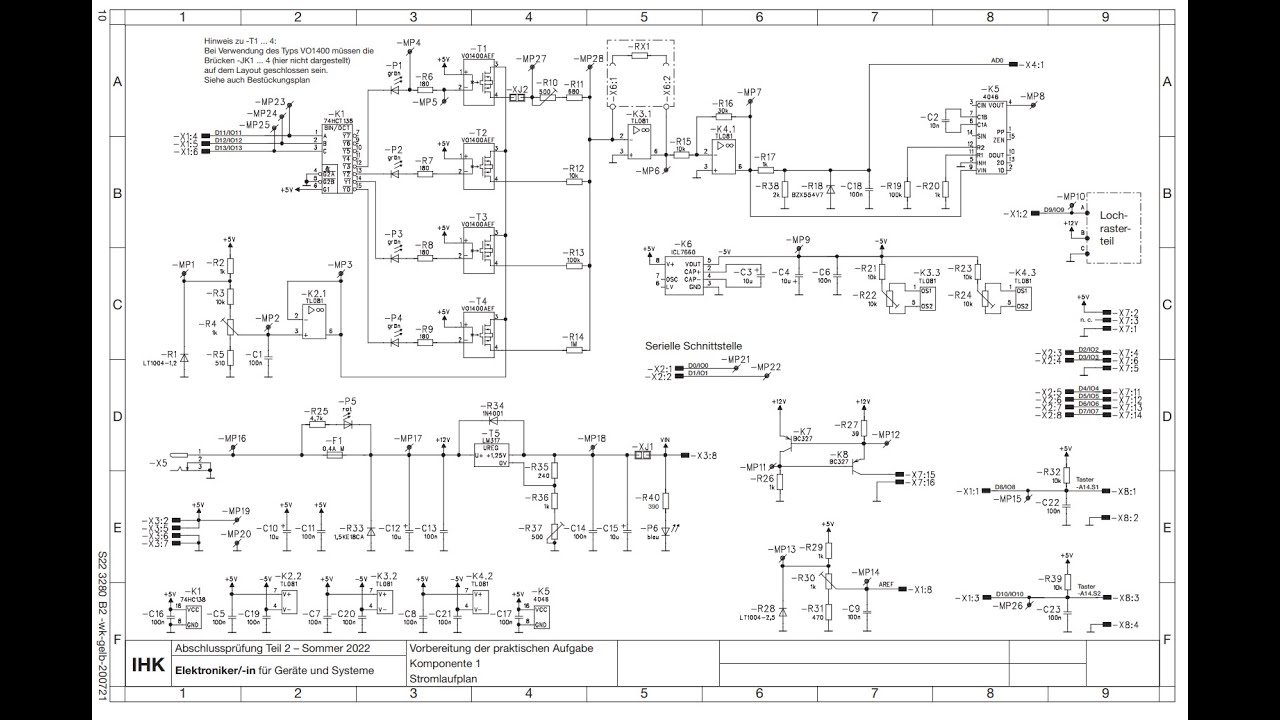
Schaltplananalyse EGS AP2 2022 Negative Voltage, OPs und der Rest YouTube

Abschlussprüfung Teil 2 Winter 2023 / 2024 Mechatroniker/-in (0941/0942) Arbeitsaufgabe Baugruppe mit Positionierschiene und Distanzstück Pos. I,17!!Entspricht dem Ergänzungsmaterialsatz Winter 2022/23 auf Winter 2023/24!! Bausatz zusammengestellt nach der PAL-Materialbereitstellungsliste. [ Mehr Informationen ]
Industriemechaniker Zwischenprüfung Theorie 2008 YouTube

Prüfungsanlage der Mechatroniker Abschlussprüfung Teil 2 Winter 2023/2024 nach Bereitstellungsunterlagen! Hier auf diesen Kanal werden Inhalte für den Beruf.
.